Описание
Насос циркуляционный GRUNDFOS ALPHA3– это циркуляционный насос с передовым оснащением и широким функциональным рядом.
Такой агрегат отлично эксплуатируется в бытовых условиях и выдает стабильные показатели производительности на протяжении многих лет.
Представленный насос был изготовлен из материалов непревзойденного качества, а все элементы его комплектации характеризуются высокой надежностью.
Особенности:
Профессиональная простая балансировка систем отопления
Запатентованная функция AUTO ADAPT
Три фиксированные частоты вращения, три режима поддержания постоянного перепада давления, три режима пропорционального регулирования перепада давления
Функция автоматического перехода в ночной режим работы
Функция летнего режима
Увеличенный пусковой момент обеспечивает быстрый и легкий запуск насоса
Защита от сухого хода
Увеличенный модельный ряд (до 8 метров напора)
Высокая эффективность – двигатель на мощных неодимовых магнитах
Потребляемая мощность от 3 до 50 Вт, модель 25-40 (3-18 Вт)
Легкое и быстрое подключение без применения отвертки с помощью нового ALPHA-штекера
Не требуется удаления воздуха из насоса
Графическая индикация: режимов работы, текущего потребления электрической энергии, текущие характеристики подачи теплоносителя (расходомер)
Катафорезное покрытие проточной части обеспечивает эффективную защиту от коррозии и превосходные гидравлические характеристики
Теплоизолирующий кожух поставляется в комплекте с насосом
При подключении насосов через ИБП (источник бесперебойного питания) существенно увеличивается период работы всей системы отопления благодаря низкому электропотреблению насосов
Производится в Дании.
Широкая сфера применения:
Системы с постоянным или переменным расходом, в которых необходимо оптимизировать рабочую точку насоса
Системы с переменной температурой в напорном трубопроводе
Системы, в которых необходимо понижение производительности в ночной период.
Такой агрегат отлично эксплуатируется в бытовых условиях и выдает стабильные показатели производительности на протяжении многих лет.
Представленный насос был изготовлен из материалов непревзойденного качества, а все элементы его комплектации характеризуются высокой надежностью.
Особенности:
Профессиональная простая балансировка систем отопления
Запатентованная функция AUTO ADAPT
Три фиксированные частоты вращения, три режима поддержания постоянного перепада давления, три режима пропорционального регулирования перепада давления
Функция автоматического перехода в ночной режим работы
Функция летнего режима
Увеличенный пусковой момент обеспечивает быстрый и легкий запуск насоса
Защита от сухого хода
Увеличенный модельный ряд (до 8 метров напора)
Высокая эффективность – двигатель на мощных неодимовых магнитах
Потребляемая мощность от 3 до 50 Вт, модель 25-40 (3-18 Вт)
Легкое и быстрое подключение без применения отвертки с помощью нового ALPHA-штекера
Не требуется удаления воздуха из насоса
Графическая индикация: режимов работы, текущего потребления электрической энергии, текущие характеристики подачи теплоносителя (расходомер)
Катафорезное покрытие проточной части обеспечивает эффективную защиту от коррозии и превосходные гидравлические характеристики
Теплоизолирующий кожух поставляется в комплекте с насосом
При подключении насосов через ИБП (источник бесперебойного питания) существенно увеличивается период работы всей системы отопления благодаря низкому электропотреблению насосов
Производится в Дании.
Широкая сфера применения:
Системы с постоянным или переменным расходом, в которых необходимо оптимизировать рабочую точку насоса
Системы с переменной температурой в напорном трубопроводе
Системы, в которых необходимо понижение производительности в ночной период.
Характеристики
Основные атрибуты
Код товара
VD000062123
Основные характеристики
Производительность, л/мин:
42,5
Тип установки
горизонтальный
Материал корпуса
чугун
Тип насоса
циркуляционный
Мощность насоса, Вт:
18
Технические характеристики
Максимальное рабочее давление, бар
10
Максимальный напор
4
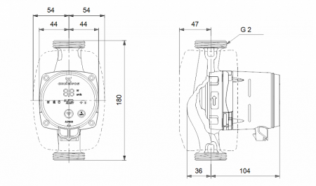
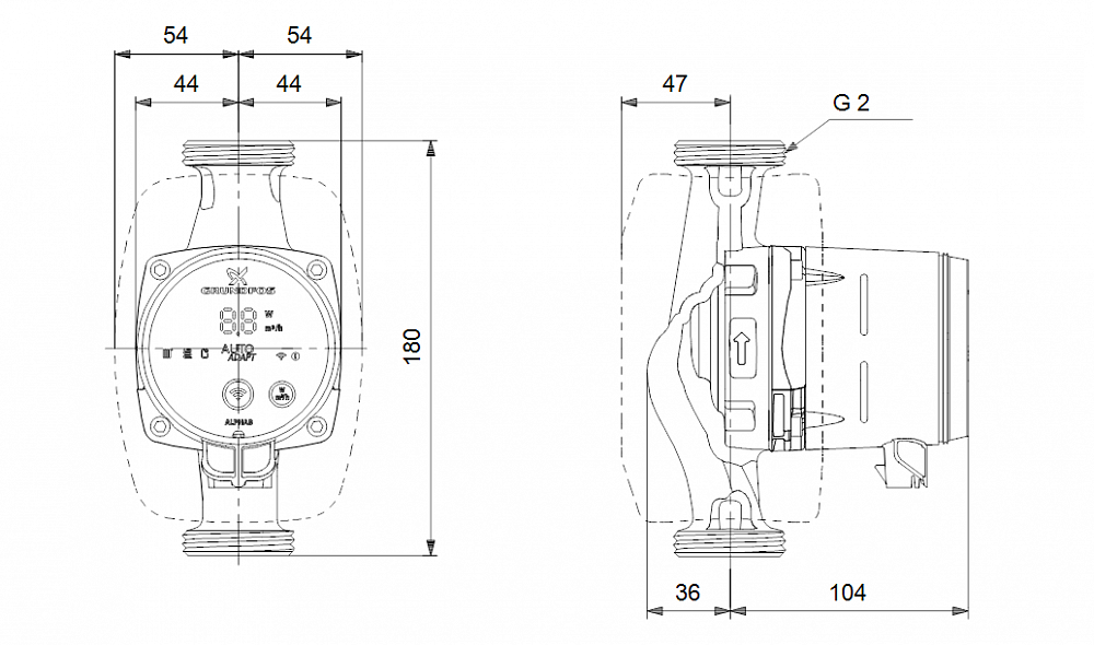
Присоединительный диаметр, дюйм
2
Напряжение сети, В:
230
Класс электрической защиты:
IPX4D
Монтажная длина, мм
180
Габариты и вес
Длина, мм
121
Ширина, мм
180
Высота, мм
139
Вес, кг
3
Страна производства и гарантия
Страна производства
Китай
Гарантия, мес.
60
Отзывы
Оставить отзыв
Загрузка отзывов...
